| Напряжение, В | 380 |
|---|---|
| Частота тока, Гц |
50 |
| Количество фаз | 3 |
| Потребляемая мощность, кВт | 0,250 |
| Ток, A |
0,55 |
| Производительность по воздуху, м3/час | 5137 |
| Частота вращения, об/мин | 1350 |
| Направление вращения | всасывание |
| Максимальная t перемещаемого воздуха |
+60°C |
| Уровень звукового давления на расстоянии 3м, дБ(А) | 69 |
| Масса, кг | 8,5 |
| Класс защиты двигателя IP |
54 |
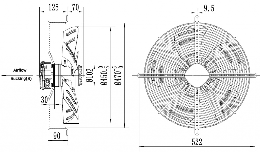
Чертеж:

Кривая по воздуху:





